Universal system for drilling hinges
Nome Serie:
CMT333
Click to enlarge images
MADE IN ITALY
The innovative drilling system for hinges CMT333 is equipped with a head with three spindles that allows you to make holes for hinges of any brand, from Salice to Blum, from Hettich to Würth, from Mepla to Grass. The modular universal base allows the installation of 5 different drilling heads, designed by the world's leading company for industrial drilling machines. You can use the CMT333 universal hinge drilling system with all types of manual or vertical benchtop drills.
BITS NOT INCLUDED.
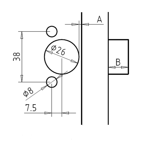
FEATURES AND TECHNICAL DATA:
-components fully rustproof;
-ground aluminum (Avional);
-max 5000 RPM;
-6 radial ball bearings.
SAFETY WARNINGS: For lubrication use Mobil SHC100 grease.
| Product | Product | Price | Buy | Description | DIM | Favorites |
|---|---|---|---|---|---|---|
| CMT333 | CMT333 | 158,16 € | Supporto sistema univesale per foratura | |||
| CMT333-4595 | CMT333-4595 | 210,81 € | Testina per foratura cerniere BLUM | 45/9,5 | ||
| CMT333-4211 | CMT333-4211 | 210,81 € | Testina per foratura cerniere GRASS | 42/11 | ||
| CMT333-5255 | CMT333-5255 | 210,81 € | Testina per foratura cerniere HETTICH, WÜRTH | 52/5,5 | ||
| CMT333-4809 | CMT333-4809 | 210,81 € | Testina per foratura cerniere MEPLA | 48/9 | ||
| CMT333-4806 | CMT333-4806 | 210,81 € | Not Available | Testina per foratura cerniere SALICE | 48/6 | |
| CMT333-4300 | CMT333-4300 | 210,81 € | Testina per foratura CREMONESE | 43/00 | ||
| CMT333-3875 | CMT333-3875 | 210,81 € | Testina per foratura manuale cerniere mini | 38/7,5 |
Spare Parts
*All the prices include 22% Italian VAT


Follow us